Exhibition Notice
Booth No.: To Be Advised
Date:(12 November 2024 - 15 November 2024 )
Venue: Messe Munich
Location: Germany, Munich
Industry: Electric & Electronics
Automotive Grade Tantalum Capacitors
Polymer Tantalum Capacitors
Dipped, SMD, Low ESR Tantalum Capacitor
Equivalence to AVX, Kemet, Vishay

Booth No.: To Be Advised
Date:(12 November 2024 - 15 November 2024 )
Venue: Messe Munich
Location: Germany, Munich
Industry: Electric & Electronics
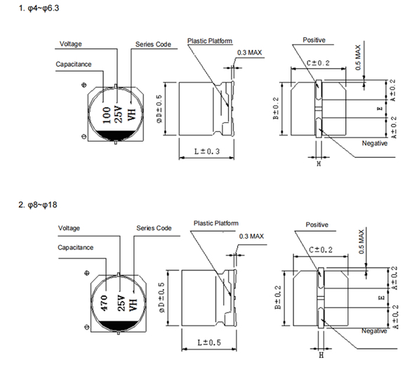
Operating with wide temperature range -55~+105°C
Load life of 2000 hours
RoHS & REACH compliant, Halogen-free
| Items | Characteristics | |||||||
|
Operating Temperature Range |
-55℃ ~ 105℃ | |||||||
|
Rated Voltage Range |
4 V ~ 400V | |||||||
|
Nominal Capacitance Range |
1 ~ 8200 µF | |||||||
|
Nominal Capacitance |
±20%(20℃,120Hz) | |||||||
|
Leakage Current |
I≤0.01CRVR or 3(μA) |
|||||||
|
tgδ |
UR (V) |
4 | 6.3 | 10 | 16 | 25 | 35 | 50 |
|
tgδ |
0.4 | 0.3 | 0.24 | 0.2 | 0.16 | 0.14 | 0.14 | |
|
When nominal capacitance exceeds 1000uF, add 0.02 to the value above for each 1000uF increase. |
||||||||